Oficina de Exportación: 21Floor, No.5 Nanhai Zhi Road,Qingdao, Shandong, China
Taller: Beian Industrial zone, Qingdao,Shandong,China
Martin
Válvula de bola con brida tipo oblea de 1 pieza con almohadilla de montaje (DIN)
Material: 304, 316, 1.4308, 1.4408, CF8, CF8M, WCB
Modelo: 1 unidad, almohadilla de montaje ISO5211
Conexión: brida
Medio: agua, petróleo, gas
Presión: Puerto completo PN16
Fundición de inversión
Vástago a prueba de explosiones
Aprobado por PED97 / 23 / PE (CE0036)
Dispositivo antiestático (opción)
Diseño: EN12516
Manija del dispositivo de bloqueo (opción)
Brida final: DIN2542-DIN2545
Pruebas de inspección: API1598, EN12266
Válvula de bola con brida tipo oblea de 1 pieza con almohadilla de montaje (DIN)
Material: 304, 316, 1.4308, 1.4408, CF8, CF8M, WCB
Modelo: 1 unidad, almohadilla de montaje ISO5211
Conexión: brida
Medio: agua, petróleo, gas
Presión: Puerto completo PN16
Fundición de inversión
Vástago a prueba de explosiones
Aprobado por PED97 / 23 / PE (CE0036)
Dispositivo antiestático (opción)
Diseño: EN12516
Manija del dispositivo de bloqueo (opción)
Brida final: DIN2542-DIN2545
Pruebas de inspección: API1598, EN12266
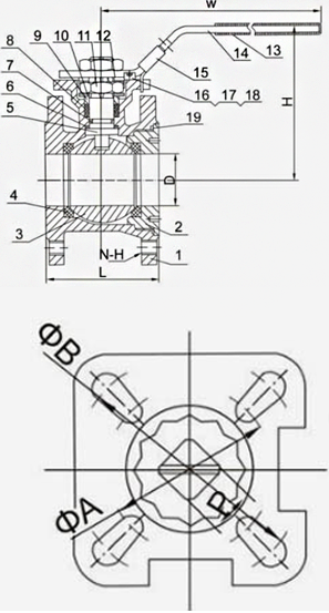
LISTA DE MATERIALES
| ARTICULO | DESIGNACION | MATERIAL | ![]() |
| 1 | CUERPO | CF8/CF8M | |
| 2 | GORRA | CF8/CF8M | |
| 3 | PELOTA | CF8/CF8M | |
| 4 | FOCA | RPTFE | |
| 5 | MADRE | 304 | |
| 6 | EMBALAJE DEL VÁSTAGO | PTFE | |
| 7 | JUNTA TÓRICA | NBR | |
| 8 | ASIENTO DE POTENCIA | PTFE | |
| 9 | GLÁNDULA | 304 | |
| 10 | ARANDELAS DE MUELLE | 301 | |
| 11 | NUEZ | 304 | |
| 12 | LAVADORA | 304 | |
| 13 | MANGUITO MANGA | PVC | |
| 14 | ENCARGARSE DE | 304 | |
| 15 | CIERRE | 304 | |
| 16 | TORNILLO | 304 | |
| 17 | TUERCA PERNOTUERCA PERNO | 304 | |
| 18 | ARANDELA TORNILLO | 304 | |
| 19 | EMPAQUE DEL CUERPO | PTFE |
| DIMENSIONES (mm) | |||||||||
| TAMAÑO \ ARTÍCULO | D | P | A | B | N-H | W | H | L | ISO5211 |
| DN15 | 15 | 9 | 36 | 72 | 4-M12 | 140 | 78 | 42 | F04/03 |
| DN20 | 20 | 9 | 36 | 42 | 4-M12 | 140 | 84 | 44 | F04/03 |
| DN25 | 25 | 11 | 42 | 50 | 4-M12 | 152 | 93 | 50 | F04/03 |
| DN32 | 32 | 11 | 42 | 50 | 4-M16 | 152 | 105 | 60 | F04/03 |
| DN40 | 40 | 14 | 50 | 70 | 4-M16 | 188 | 112 | 65 | F05/04 |
| DN50 | 50 | 14 | 50 | 70 | 4-M16 | 188 | 120 | 80 | F05/04 |
| DN65 | 65 | 17 | 70 | 102 | 4-M16 | 230 | 145 | 113 | F07/05 |
| DN80 | 76 | 17 | 70 | 102 | 8-M16 | 230 | 155 | 120 | F07/05 |
| DN100 | 94 | 22 | 102 | 102 | 8-M16 | 230 | 189 | 154 | F10 |
Oficina de Exportación: 21Floor, No.5 Nanhai Zhi Road,Qingdao, Shandong, China
Taller: Beian Industrial zone, Qingdao,Shandong,China
Martin
© 2020 QINGDAO FLUIDO INDUSTRIAL CO.,LTD. All Rights Reserved. Qingdao fluido valve