Oficina de Exportación: 21Floor, No.5 Nanhai Zhi Road,Qingdao, Shandong, China
Taller: Beian Industrial zone, Qingdao,Shandong,China
Martin
Fabricante de accesorios de tubería forjados ASME B16.11 3000LB, 6000LB, 9000LB en China.
Nombre del producto: codo, te, tapa, buje, acoplamiento, boquilla de tubería, hexagonal, boquilla, weldolet, threadolet, sockolet, socket, tapa, cruz, flangolet, unión, boquilla de estampación, etc.
Tamaño: 1/8 "-4" tipo roscado y soldado
Presión:
Weled del zócalo: 3000LB 6000LB 9000LB (sch80 sch160 xxs)
Roscado: 2000LB 3000LB 6000LBS (sch80 sch160 xxs)
Conexión: Rosca (NPT, BSP, RP, G), Soldadura por enchufe
Tipo: Codo, T, pezón, acoplamiento completo, medio acoplamiento, lateral, cruzado, tapa, tapón, pezón de cabeza hexagonal, pezón de estampación, unión, weldolet, sockolet, threadolet, nipolet, elbolet, latrolet, etc.
Estándar: ANSI B16.11, EN10241, BS3799, JIS B2316, MSS SP-83, MSS SP-79;
Tratamiento superficial: chorro de arena, aceite antioxidante, galvanizado, pulido, negro.
Espesor de pared: SCH5S, SCH10S, SCH10, SCH40S, STD, XS, XXS, SCH20, SCH30, SCH40, SCH60, SCH80, SCH160, XXS y etc.
Material:
Acero inoxidable: A182 F304 / 304L, A182 F316 / 316L, A182 F321, A182 F310S, A182 F347H, A182 F316Ti, A182 F317, 904L, 1.4301,1.4307,1.4401,1.4571,1.4541, 254Mo y etc.
Acero al carbono: ASTM A105, A350LF2, Q235, St37, 20 #, 16Mn, St45.8, A42CP, E24, A515 Gr60, A515 Gr 70, A420 WPL6, etc.
Acero inoxidable dúplex: UNS31803, SAF2205, UNS32205, UNS31500, UNS32750, UNS32760, 1.4462,1.4410,1.4501 y etc.
Acero para tuberías: A694 F42, A694F52, A694 F60, A694 F65, A694 F70, A694 F80, etc.
Aleación de níquel: inconel600, inconel625, inconel690, incoloy800, incoloy 825, incoloy 800H, C22, C 276, Monel400, Alloy20, etc.
Aleación de Cr-Mo: A182 F11, A182 F5, A182 F22, A182 F91, A182 F9, 16mo3, etc.
Aplicación: Química del petróleo, refinería, industria farmacéutica, industria de alimentos y bebidas, desalinización de agua de mar, fabricación de papel, industria de construcción naval, energía eléctrica, petróleo y gas costa afuera y en tierra, industria minera, tratamiento de agua, fabricación mecánica, fertilizantes químicos, etc.
Paquete: Cajas de cartón en estuches de madera.
MOQ: a negociar.
Muestra: disponible
Precio: >> DESCARGUE la lista de precios más reciente de accesorios forjados de LISTA DE PRECIOS Y TECNOLOGÍA
Servicio: OEM personalizado
Plazo de pago: T / T o L / C
Entrega: 7-30 días según la cantidad del pedido.

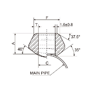
Dimensión de salida de soldadura a tope
| Salida | Forma reductora | ||||
| A | C | F | T | ||
| NPS | Estándar | Extra | |||
| Peso | Fuerte | ||||
| 1/8" | 16 | 13.7 | 10.3 | 1.73 | 2.41 |
| 1/4" | 16 | 13.7 | 13.7 | 2.24 | 3.02 |
| 3/8" | 19 | 17.1 | 17.1 | 2.31 | 3.2 |
| 1/2" | 19 | 21.3 | 21.3 | 2.77 | 3.73 |
| 3/4" | 22 | 26.7 | 26.7 | 2.87 | 3.91 |
| 1" | 27 | 33.4 | 33.4 | 3.38 | 4.55 |
| 1-1/4" | 32 | 42.2 | 42.2 | 3.56 | 4.85 |
| 1-1/2" | 33 | 48.3 | 48.3 | 3.68 | 5.08 |
| 2" | 38 | 60.3 | 60.3 | 3.91 | 5.54 |
| 2-1/2" | 41 | 73 | 73 | 5.16 | 7.01 |
| 3" | 44 | 88.9 | 88.9 | 5.49 | 7.62 |
| 3-1/2" | 48 | 101.6 | 101.6 | 5.74 | 8.56 |
| 4" | 51 | 114.3 | 114.3 | 6.02 | 8.56 |
| 5" | 57 | 141.3 | 141.3 | 6.55 | 9.53 |
| 6" | 78 | 168.3 | 168.3 | 7.11 | 10.97 |
| 8" | 99 | 219.3 | 219.3 | 8.11 | 12.7 |
| 10" | 94 | 273.1 | 273.1 | 9.27 | 12.7 |
| 12" | 103 | 323.9 | 323.9 | 9.53 | 12.7 |
| 14" | 100 | 355.6 | 355.6 | 9.53 | 12.7 |
| 16" | 106 | 406.4 | 406.4 | 9.53 | 12.7 |
| 18" | 111 | 457.2 | 457.2 | 9.53 | 12.7 |
| 20" | 119 | 508 | 508 | 9.53 | 12.7 |
| 24" | 140 | 609.6 | 609.6 | 9.53 | 12.7 |


| Salida | Directamente | ||||
| Tubo | A | C | F | T | |
| NPS | Estándar | Extra | |||
| Peso | Fuerte | ||||
| 1/8" | --- | --- | --- | --- | --- |
| 1/4" | 16 | 11.5 | 13.7 | 2.24 | 3.02 |
| 3/8" | 19 | 14.5 | 17.1 | 2.31 | 3.2 |
| 1/2" | 19 | 16.5 | 21.3 | 2.77 | 3.73 |
| 3/4" | 22 | 21.5 | 26.7 | 2.87 | 3.91 |
| 1" | 27 | 27.2 | 33.4 | 3.38 | 4.55 |
| 1-1/4" | 32 | 36 | 42.2 | 3.56 | 4.85 |
| 1-1/2" | 33 | 42 | 48.3 | 3.68 | 5.08 |
| 2" | 38 | 53 | 60.3 | 3.91 | 5.54 |
| 2-1/2" | 41 | 65 | 73 | 5.16 | 7.01 |
| 3" | 44 | 80 | 88.9 | 5.49 | 7.62 |
| 3-1/2" | --- | --- | --- | --- | --- |
| 4" | 51 | 104 | 114.3 | 6.02 | 8.56 |
(1) Dimensiones en milímetros.
(2) Bisel de soldadura de acuerdo con ASME B16.25
(3) El tamaño exterior 4 y menos se ajusta a varios tamaños de tubería y el accesorio está marcado en consecuencia.
(4) Tamaño exterior 5 y en orden según la combinación de tamaño específico.
Tolerancia dimensional de MSS-SP97
| Artículo | 1/8"to3/4" | 1"to4" | 5"to12" | 14"to24 | |
| Cara de ajuste a la entrepierna (A) | ±0.76 | ±1.52 | ±3.05 | ±4.83 | |
El olet acero forjado es un componente esencial en sistemas de tuberías que permite realizar conexiones robustas y confiables entre tuberías de diferentes diámetros. Fabricado mediante el proceso de forjado, este tipo de olet ofrece una resistencia y durabilidad superiores, siendo ideal para aplicaciones industriales exigentes. En este artículo, exploraremos los principales tipos de olet acero forjado, sus aplicaciones y beneficios, y cómo QINGDAO FLUIDO puede proporcionarle soluciones de alta calidad para sus necesidades de tuberías.
Un olet es un accesorio de tubería que facilita la conexión entre una tubería principal y una tubería secundaria. Los olets de acero forjado están fabricados a partir de acero de alta calidad mediante el proceso de forjado, lo que les confiere una gran resistencia a la presión y a las condiciones extremas. Estos accesorios son fundamentales para garantizar una conexión segura y duradera en una variedad de aplicaciones industriales.
El olet de soldadura, o weldolet, se utiliza para conectar una tubería a una línea de mayor diámetro mediante un proceso de soldadura. Su diseño permite una transición suave entre la tubería principal y la secundaria, reduciendo el riesgo de estrés en la unión. Este tipo de olet es ideal para aplicaciones de alta presión y temperaturas extremas.
Características:
Diseño de Soldadura: Permite una conexión continua y fuerte.
Uso Común: Aplicaciones en industrias petroquímicas y de procesamiento.
El olet roscado, o threadolet, está diseñado para ser instalado mediante roscado, lo que facilita la conexión de tuberías sin necesidad de soldadura. Este tipo de olet es especialmente útil en aplicaciones donde la soldadura no es viable o donde se requiere una instalación rápida.
Características:
Instalación Rápida: Se conecta mediante roscado, eliminando la necesidad de soldadura.
Uso Común: Aplicaciones en sistemas de agua, gas y HVAC.
El olet de brida, o sockolet, se utiliza para conectar una tubería a una brida. Este tipo de olet es ideal para aplicaciones que requieren una unión adicional para una brida de conexión. Su diseño permite una instalación segura y eficiente.
Características:
Conexión con Brida: Facilita la conexión a una brida de tubería.
Uso Común: Aplicaciones en sistemas de tuberías que requieren una conexión adicional a una brida.
El olet de reducción, o nipolet, permite conectar tuberías de diferentes diámetros y realizar reducciones en el sistema. Este tipo de olet es esencial para ajustar el diámetro de la tubería según las necesidades del sistema.
Características:
Reducción de Diámetro: Facilita la conexión entre tuberías de distintos diámetros.
Uso Común: Aplicaciones en sistemas de tuberías que requieren ajustes de tamaño.
Los olets de acero forjado son utilizados en una amplia gama de aplicaciones industriales, incluyendo:
Industria Petroquímica: Para conectar tuberías en plantas de procesamiento de petróleo y gas.
Tratamiento de Aguas: En sistemas de agua potable y tratamiento de aguas residuales.
Construcción y HVAC: En sistemas de calefacción, ventilación y aire acondicionado.
Infraestructura: En proyectos de infraestructura que requieren conexiones duraderas y resistentes.
En QINGDAO FLUIDO, nos especializamos en ofrecer olets de acero forjado de alta calidad, diseñados para cumplir con los más altos estándares de la industria. Nuestros productos están fabricados con acero forjado de primera calidad, garantizando durabilidad y resistencia en aplicaciones exigentes.
Calidad Superior: Utilizamos acero forjado de alta calidad para asegurar que nuestros olets ofrezcan una resistencia y durabilidad excepcionales.
Variedad de Productos: Ofrecemos una amplia gama de tipos de olets, incluyendo weldolet, threadolet, sockolet y nipolet, para adaptarnos a sus necesidades específicas.
Asesoramiento Experto: Nuestro equipo de expertos está disponible para ayudarle a seleccionar el olet adecuado para su aplicación y ofrecer soporte técnico especializado.
Entrega Eficiente: Garantizamos tiempos de entrega rápidos y confiables para que pueda cumplir con sus plazos de proyecto sin contratiempos.
El olet acero forjado es una solución crucial para la conexión de tuberías en aplicaciones industriales que requieren robustez y fiabilidad. Los diferentes tipos de olets, como weldolet, threadolet, sockolet y nipolet, ofrecen flexibilidad y adaptabilidad para satisfacer diversas necesidades. En QINGDAO FLUIDO, nos enorgullece ofrecer productos de alta calidad que cumplen con los estándares internacionales y garantizan el éxito de sus proyectos.
Para más información o para realizar un pedido, visite nuestro sitio web o póngase en contacto con nuestro equipo de ventas. ¡Estamos aquí para ayudarle a encontrar la solución perfecta para sus necesidades de tuberías!
Oficina de Exportación: 21Floor, No.5 Nanhai Zhi Road,Qingdao, Shandong, China
Taller: Beian Industrial zone, Qingdao,Shandong,China
Martin
© 2020 QINGDAO FLUIDO INDUSTRIAL CO.,LTD. All Rights Reserved. Qingdao fluido valve