Brida con cuello de soldadura EN 1092-1, dimensión PN160, también conocida como norma BS EN1092-1, brida con cuello de soldadura PN160. EN 1092-1 es el estándar europeo para bridas. En comparación con las bridas estándar estadounidense ANSI B16.5, es más liviana en espesor de pared y diámetro exterior y ahorra costos. Es ampliamente utilizado en los mercados de Europa, África y Oriente Medio. El estándar sudafricano y el estándar australiano extraen lecciones del estándar de brida EN1092-1 sobre el grosor de la pared de la brida. EN1092-1 se utiliza principalmente en la transmisión de agua, petróleo y minería.
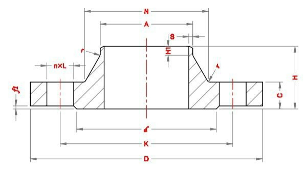
Dimensiones de las bridas con cuello de soldadura PN160 EN1092-1

| DN | Tubería OD, A | Diámetro exterior, D | Diámetro del círculo de pernos, K | Diámetro de los orificios de los pernos, L | No. de tornillos | Diámetro de la cara elevada, d | Altura de la cara elevada, f1
| Espesor de la brida, C | Longitud de la brida, H | Diámetro del cuello, N | Espesor de pared, S | Longitud del extremo derecho, H1
| Radio de esquinas, r |
| SerieSeries Ⅰ | Serie Ⅱ |
| 10 | 17.2 | 14 | 100 | 70 | 14 | 4 | 40 | 2 | 20 | 45 | 32 | 2 | 6 | 4 |
| 15 | 21.3 | 18 | 105 | 75 | 14 | 4 | 45 | 2 | 20 | 45 | 34 | 2 | 6 | 4 |
| 20 | 26.9 | 25 | 130 | 90 | 18 | 4 | 58 | 2 | 24 | 52 | 42 | 2.9 | 6 | 4 |
| 25 | 33.7 | 32 | 140 | 100 | 18 | 4 | 68 | 2 | 24 | 58 | 52 | 2.9 | 8 | 4 |
| 32 | 42.4 | 38 | 155 | 110 | 22 | 4 | 78 | 2 | 28 | 60 | 60 | 3.6 | 8 | 5 |
| 40 | 48.3 | 45 | 170 | 125 | 22 | 4 | 88 | 3 | 28 | 64 | 70 | 3.6 | 10 | 6 |
| 50 | 60.3 | 57 | 195 | 145 | 26 | 4 | 102 | 3 | 30 | 75 | 90 | 4 | 10 | 6 |
| 65 | 76.1 | 76 | 220 | 170 | 26 | 8 | 122 | 3 | 34 | 82 | 108 | 5 | 12 | 6 |
| 80 | 88.9 | 89 | 230 | 180 | 26 | 8 | 138 | 3 | 36 | 86 | 120 | 6.3 | 12 | 8 |
| 100 | 114.3 | 108 | 265 | 210 | 30 | 8 | 162 | 3 | 40 | 100 | 150 | 8 | 12 | 8 |
| 125 | 139.7 | 133 | 315 | 250 | 33 | 8 | 188 | 3 | 44 | 115 | 180 | 10 | 14 | 8 |
| 150 | 168.3 | 159 | 355 | 290 | 33 | 12 | 218 | 3 | 50 | 128 | 210 | 12.5 | 14 | 10 |
| 200 | 219.1 | 219 | 430 | 360 | 36 | 12 | 285 | 3 | 60 | 140 | 278 | 16 | 16 | 10 |
| 250 | 273 | 273 | 515 | 430 | 42 | 12 | 345 | 3 | 68 | 155 | 340 | 20 | 18 | 12 |
| 300 | 323.9 | 325 | 585 | 500 | 42 | 16 | 410 | 4 | 78 | 175 | 400 | 22.2 | 18 | 12 |
Para el material y la presión de trabajo, como 150psi, 300psi, 400psi, 600psi, 900psi, 1500psi, 2500psi, consulte desde Weld neck Flange